產品類別:振動篩分機
產品簡介:不銹鋼振動篩分機與物料基礎部分為304不銹鋼材質,耐腐蝕、耐高溫、不易生銹,全封閉結構,無粉塵污染,可根據用戶需求定做特殊型號。
篩分精度:500目或0.028mm
適用物料:面粉、大米、大豆、食用鹽、果汁、豆漿、陳醋、中藥粉、中西藥顆粒等
免費獲取報價
全國統一銷售熱線
不銹鋼振動篩分機采用不銹鋼材質,耐高溫、耐腐蝕、不易生銹,可防止物料污染,篩分精細,可達500目或5微米
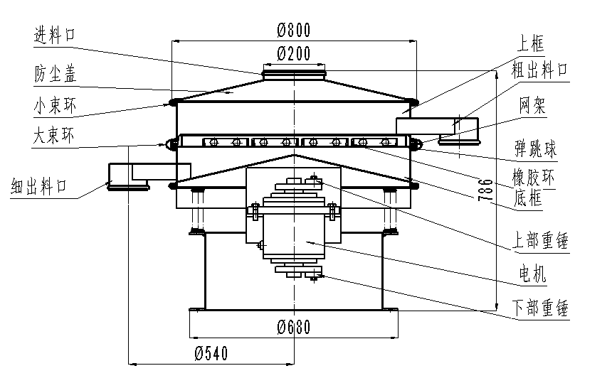
不銹鋼振動篩分機采用了不銹鋼材質制作而成,干凈衛生,篩框采用加強型密封結構,使篩框與網架達到密封狀態,并采用食品、醫藥行業專用的硅膠密封材質,以滿足衛生條件,防止物料在篩分過程中被污染。

漢機械可根據客戶需求設計特殊型號,無論物料是干是濕,是精細是粗糙,是比重大是比重輕,0-400目都可以篩選,不管是液態的,還是漿狀的0-600目都可以過濾。同時配備專門的篩網清理裝置,把堵網率降到低,過網率和處理精度得以有效提高。

不銹鋼振動篩分機整機有304、304L、310、310L、316、316L多種等級的不銹鋼,等級越高的不銹鋼耐熱性能和隔熱性能就越好,可以承受200℃-500℃的高溫物料篩分,除了良好的耐熱和隔熱性能外,不銹鋼振動篩經過內外拋光打磨處理后更不易生銹,良好的清理性能可避免物料受到污染,因此可專門用在食品、醫藥等對衛生要求較高的行業。
化工行業:樹脂、涂料、工業藥品、化妝品、油漆、中藥粉等。
食品行業:糖粉、淀粉、食鹽、米粉、奶粉、豆漿、蛋粉、醬油、果汁等。
金屬、冶金礦業:鋁粉、鉛粉、銅粉、礦石、合金粉、焊條粉末、二氧化錳、電解銅粉、電磁性材料、研磨粉、耐火材料、高嶺土、石灰、氧化鋁、重質碳酸鈣、石英砂等。
公害處理:廢油、廢水、染整廢水、助劑、活性碳等。



耐腐蝕抗氧化:對于一些具有特殊性質的物料,不銹鋼振動篩具有良好的耐腐、抗氧化效果,可提高篩機使用壽命3-5倍。
耐高溫:采用不銹鋼材質拋光而成,可以承受200℃-500℃高溫物料的篩分。
干凈衛生:對于衛生要求高的行業,普通篩機在篩分過程中會對物料產生污染,而不銹鋼振動篩可以很好地解決這一問題。
全密封設計:可確保粉末類物料在篩分中不飛濺,保證生產環節的衛生和安全。
篩分精細:網孔不堵塞、可篩至500目或0.028mm。

| 型 號 | DH-600 | DH-800 | DH-1000 | DH-1200 | DH-1500 | DH-1800 | DH-2000 |
| 直徑mm | Φ600 | Φ800 | Φ1000 | Φ1200 | Φ1500 | Φ1800 | Φ2000 |
| 篩網面積m | 0.24 | 0.45 | 0.67 | 1.0 | 1.6 | 2.43 | 3.01 |
| 篩網規格(目) | 2-500 | ||||||
| 進料粒度mm | <Φ10 | <Φ15 | <Φ20 | <Φ30 | |||
| 振次rpm | 1500 | 1500 | 1500 | 1500 | 1500 | 1500 | 1500 |
| 有效篩面直mm | Φ560 | Φ760 | Φ930 | Φ1130 | Φ1430 | Φ1760 | Φ1960 |
| 層數 | 1-5 | ||||||
| 功率Kw | 0.25 | 0.55 | 0.75 | 1.1 | 1.5 | 2.2 | 3 |
不銹鋼振動篩分機由直立式振動電機作為激振源,電機上、下兩端安裝有偏心重錘,將電機的旋轉運動轉變為水平、垂直、傾斜的三次元運動,再把這個運動傳遞給篩面。調節上、下兩端的相位角,可以改變物料在篩面上的運動軌跡。

一、如何辨別不銹鋼振動篩的材質是304不銹鋼還是其它劣質鋼材?

1、光潔度及明暗度鑒別:304不銹鋼材質在拋光后,振動篩表面光滑整潔,劣質的201不銹鋼材質在拋光后振動篩表面會存在一些麻點、暗斑等。
2、磁鐵鑒別:振動篩常用的304不銹鋼,使用磁鐵靠近不會有吸附力,而劣質的201不銹鋼磁鐵靠近則會產生輕微的吸附力。
3、化學藥水鑒別:以上兩種方法主要針對201材質和304材質不銹鋼之間的鑒別,對于304材質和316材質不銹鋼的鑒別基本起不到作用,但是通過化學藥水卻可以迅速的分別出各種型號的不銹鋼材質。
二、不銹鋼振動篩的價格大概是多少?

不銹鋼振動篩的價格區間在3200—36800元/臺,價格主要由材質、層數、型號三方因素決定,不同材質在同型號上價格上會相差800-2000元左右;層數上可安裝1-4層篩網,每增加一層在價格上也會貴上1000左右,型號可分為DH-400、DH-600、DH-800、DH-1000、DH-1200、DH-1500、DH-1800等8種標準型號,型號越大的設備價格也就會越貴。
(一)設備應有穩定的基礎。當設備安裝于一般地面或水泥基礎上時,可以不設置地腳螺栓。當設備安裝于鋼結構架臺之上時,應用螺栓緊固于結構體上,而且鋼結構架臺應有一定的鋼度。
本機只需三相開關一只(備注:好使用電氣控制盤),用蛇皮管穿線,將電機接至電源即可,注意電氣控制盤應懸掛安裝于墻上。
(二)設備出廠前已將篩網裝妥,使用過程中的篩網更換可自己更換。
(三)開機前,應先檢查各壓緊螺栓的緊固程度,及各料口的位置是否與接料器對正,并觀察振動電機是否能正常轉動及彈簧受力有無阻礙,檢查各層篩網是否壓緊。
(四)當旋振篩接入電氣控制盤之前,應首先對電氣控制盤進行檢查。線路接通后觀察振動電機旋轉方向是否是順時針方向, (備注:否則應改變相序)運轉是否正常,有無異噪聲。
(五)調節振動電機上下偏心塊的相位角,以適應各種物料篩分情況。
Copyright ©right 2007-2020 新鄉市大漢振動機械有限公司 All Rights Reserved 版權所有
備案號:豫ICP備09002479號-7

